CHRONOLOGIE APOLLO

ANNEXE 9 

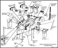
APOLLO 14 Le MET, 
Modularized Equipment Transporter

  annexe9 03.jpg (150704 octets)

Le MET est un véhicule à 2 roues, fait de tubes métallique et mesurant 2,15 m de long, 0,97 m de large et 0,80 m de haut. Le MET a une simple poigné pour le tirer et possède 2 pattes pour assurer une bonne stabilité à l' arret.  

Le MET est stocké durant le vol dans le MESA, Modularized Equipment Storage Assembly dans l' étage de descente du LM, et utilisé durant les EVA sur la lune.  

annexe9 04.jpg (150293 octets)

L' équipement monté sur le MET permet une étude géologique du sol lunaire incluant le ramassage et le stockage des pierres lunaires, une caméra stéréo pour les gros plans, deux appareils photo Hasselbald 70 mm, une caméra 16 mm, des pellicules photos, un distributeur de sacs à échantillons, une table de travail, le magnétométre portable, des sacs pour les gros échantillons et une pioche.  

annexe9 02.jpg (124243 octets)

Les pneus du MET ont 40 cm de diamètre, 10 cm d' épaisseur et sont gonflé avec de l' azote a 1,5 psi de pression. Ils sont cuit à 250° F 24 heures avant le vol pour enlever le maximum d' antioxydant dans le caoutchouc. La température limite d' utilisation du MET est de - 70°F à + 140°F.

A vide, la masse du MET est de 11,7 kg, il peut être charger pour atteindre 63 kg. La vitesse de déplacement en tirant le MET a été estimée à 1 m/s lors de tests au MSC, à Houston.  

annexe9 05.jpg (121507 octets) annexe9 06.jpg (123326 octets)