RETOUR A LA PAGE D'ACUEIL

CHRONOLOGIE
SPACE SHUTTLE

LA STRUCTURE DU M.L.P

Au temps d' Apollo, le Mobil Launcher Apollo était indissociable de la tour ombilicale LUT, Launch Umbilical Tower et les deux noms étaient utilisés pour les nommer sans distinction. Pour le Shuttle, son nom devient le MLP, Mobil Launcher Plateform.

LES MOBIL LAUNCHER APOLLO

La plateforme en elle même mesurait 48,8 m de long sur 41,1 m de large et 7,6 m de hauteur.
Sa structure était un assemblage de plaque et de poutre métallique soudées ensemble.
19 montants métalliques blindées large de 7,6 m constituaient la plateforme, leur épaisseur variant de 19 à 30 mm avec des rebords allant de 61 à 86, 3 cm de large et de 30 mm à 15 cm d’ épaisseur. Sur le coté 1, dénommé "side 1", la hauteur du ML était de 6,7 m. La différence de hauteur avec les autres cotés vient du fait que lors du programme Apollo, le Saturn 5 utilisait une autre tour mobile, la MSS (Mobile Service Structure) pour procéder à l'installation et à l'armement des systèmes pyrotechniques du lanceur (séparation des étages, destruction en urgence). Elle servait aussi de protection contre le mauvais temps pour le CSM Apollo. Cette tour était positionnée sur le pad accolée au ML par le Crawler transporter. Celui devait comme pour le ML soulever la plateforme pour la positionner sur ses pieds supports au sol. Les 90 cm de différence permettait la manoeuvre.  

Le montant G19 formait le coté 1 de la plateforme orienté Sud, les montants G 11 et 12 le coté 2 (Ouest), le montant G 13 le coté 3 (Nord) et le montants G 1 et 2 le coté 4 (Est). 
Ces montants étaient
constituées d’ éléments rectangulaires assemblés dont la larguer varie de 2,4 à 3 m.
_ Le coté 1 (G 19) était divisée en 18 segments, trois de 1,82 m, un de 1,27 m, cinq de 2 m, un de 1,27 m et trois de 1,82 m.
_ Le coté 2 (G 11 et 12) était divisée en 18 segments, six de 3 m, trois de 2,7 m et neuf de 2,5 m.
_ Le coté 3 (G 13) était divisée en 16 segments, un de 4,1 m, un de 2,7 m, un de 1,5 m et cinq de 2,5 m.
_ Le coté 4 (G 1 et 2) était divisée en 18 segments comme le coté 2.

Le montant G 14 coupait la plateforme dans le sens Est Ouest (à 18,2 par rapport au coté 3 et 29,8 m du coté 1) et servait de support aux colonnes de la tour ombilicale. C'est sur ce montant que reposait la plateforme sur le pad, dans le VAB sur ses piliers.

Quatre autres montants G 9-10 et G 3-G 4 coupaient la plateforme dans l' autre sens à 7 m du bord des cotés 4 et 2. Ce sont ces montants qui s' appuyaient sur le Crawler Transporter.

La tour ombilicale était fixée sur les montants G 13 et G 14. Deux armatures de renfort, d’ environ 27 m de long et 7,6 m de large constitué de poutres et de plaques étaient installées à l' intérieur de la plateforme sous la tour ombilicale. A cet endroit seulement cette armature remplaçait les montants ceci de faciliter l' accès et économiser du poids.  

La figure ci dessous reprend l' agencement de la plateforme pour Apollo avec en 1 l' escalier de la tour ombilicale, en 2 la sortie des ascenseurs de la tour, en 3 la fosse d' évacuation des flammes du Saturn 5 large de 13,7 m (son axe est à 14,6 m du bord de la plateforme, coté 1) et en 4 les quatre supports des Hold Down Arm qui retenaient le lanceur sur la plateforme. Le coté "side 1" est au Sud, le coté "side 3" au nord, les cotés "side 2" et "side 4" à l'ouest et l'est.

L' aménagement interne de la plateforme se faisait sur deux niveaux dit "A" (plancher intermédiaire) et "B" (plancher du fond)  aménagés en différentes salles de contrôle. Les figures ci dessous montre l' aménagement des ML niveaux A et B.  

   

Des plaques en métal de forme standard étaient utilisées comme plancher pour les étages de la plateforme et le  dessus, le niveau « 0 ». Ces plaques étaient mis en place entre les montants et les renforts puis boulonnées ou soudées ensemble.
Sur le dessus, les plaques qui sont soudées ensemble
avaient une épaisseur qui variait de 1,9 cm sous la tour à 2,5 cm sur le reste de la plateforme. Le plancher était  légèrement en pente pour faciliter le drainage de l’ eau. 
Le dessous de la plateforme,
le niveau « B » était constitué de plaques de 1,27 cm d’ épaisseur soudées ensemble. Des ouvertures permettaient l’ évacuation et le drainage de l' eau afin d' éviter les moisissures.

Les sas à portes extérieures et le corridor extérieur non pressurisés, c' est à dire à l' air ambiant étaient réalisés par découpages intérieurs du métal des montants. Ces découpages n' étaient que des pièces annexes  et ne faisaient pas partie de la structure même de la plateforme. 
Sur le coté 1 au Sud, il n' y avait pas d' accès à l' intérieur de la plateforme. 
Sur le coté 2 à l'Ouest, il y avait deux accès, un au niveau A et l' autre au niveau B. Ce dernier traversait la plateforme rejoignait le bas de l' escalier de la tour. Il permettait l' évacuation du personnel jusque dans des véhicules blindés stationnés sur le pad. 
Sur le coté 3 au Nord, il y avait un accès au niveau B qui permettait un accès au Crawler Transporter pendant les rollout. Le coté 4 à l'Est possédait un accès au niveau B . 
Le coté 3 au Nord possédait en plus une ouverture spéciale au niveau B, permettant la mise en place du toboggan d' évacuation du personnel et des astronautes de la tour. En cas de problème, le personnel prenait l' un des deux ascenseurs rapides et descendait jusqu' au niveau A. De là, à droite en sortant de l' ascenseur se trouvait  le tube d' évacuation dans lequel les personnes pouvait se glisser et qui aboutissait sous le pad dans une salle appelée "Rubber room" la salle caoutchouc destinée à freiner une arrivée trop brutale. Là une salle anti souffle permettait d' accueillir 20 personnes pendant 24 heure. Pour le Shuttle, le système de paniers glissant le long d' un câble jusqu' à distance raisonnable du pad a été repris au augmentant les capacité d' emport. le système de toboggan à été abandonné car la tour ombilicale n' étant plus sur la plateforme, il n' était plus possible de la quitter en passant par l' intérieur. L' entrée du toboggan sur le pad a été bouchée et les salles fermées. Elles en sont désormais accessible que par la salle ECS du pad. 

LE MOBIL LAUNCHER PLATEFORM

Dans les premiers projets de véhicules réutilisables, le Shuttle reprend pratiquement dans son ensemble les installations Apollo avec le Mobil Launcher. L' Orbiter n' est qu' un "passager" adossé à un étage de base qui le propulse hors de l' atmosphère. Même dans les dessins utilisant un réservoir séparé pour alimenter les moteurs de l' Orbiter, il y a toujours un étage de base. 
Ce n' est que lorsque l' ensemble du programme est remanié que le Shuttle se voit doter de deux types de motorisation différentes, en configuration "side mount" (cote à cote) pour l' Orbiter et l' autre pour les boosters remplaçant l' étage de base. C' est à partir de ce moment là que les ingénieurs décident d' enlever la tour ombilicale des ML Apollo. 

Le Lanceur Saturn 5 n' était pas positionné au centre de la plateforme à cause du montant G 14 qui la traverse et sert de support à la tour ombilicale, mais décalé vers le coté 1. Le Shuttle, pour la même raison s' est retrouvé au même endroit. Le carré de 30 m de coté où était disposés les montants soutenant le Saturn 5 pouvant être facilement réaménagé sans interférer avec l' intégrité de la structure de base de la plateforme (montant G19, G4, G14 et G10). 
Le fait que le Shuttle possède deux systèmes de moteurs et qu' ils soient allumés en parallèle a été déterminant dans le fait que la tour ombilicale soit enlevée. On le voit bien aujourd'hui, l' allumage des moteurs SSME provoque un balancement du lanceur vers l' avant (les tuyères des SSME ne sont pas verticale mais légèrement inclinée). Même à l' allumage des boosters, la poussée latérale des SSME se fait encore sentir et déporte le Shuttle vers le centre de la plateforme pendant son ascension. Si la tour avait été laissée, le Shuttle l' aurait sans doute heurté.
 
A l' allumage des boosters, le Shuttle se décale donc vers le centre de la plateforme en passant dessus une zone jadis "cachée" par la tour ombilicale. A ce propos, même si les tuyères des moteurs du Saturn 5 étaient verticales, le lanceur était lui légèrement incliné vers l' extérieur de la plateforme afin d' éviter d' heurter la tour au décollage.  Cette zone était constituée de plaques en métal de moindre épaisseur que l' autre partie de la plateforme. Les ingénieurs ont du donc la recouvrir d' une plaque de protection en métal de 30 mètres sur 20 plus épaisse afin de supporter la chaleur du lancement.

Lorsque la tour ombilicale était en place sur la plateforme, elle équilibrait en quelque sorte le poids du lanceur surtout au moment du rollout. Le crawler était positionné non pas centré sous la plateforme mais en avant afin de supporter son poids. De même sur le pad, la plateforme était fixée par 12 boulons sur des énormes piliers de 7 m de hauteur, 4 sur les coins et deux au niveau du montant supportant la tour. Pour le lancement, quatre piliers extensibles étaient utilisés pour absorber le poids additionnel de carburant et la charge dynamique au moment du décollage. Ces piliers étaient essentiellement des vérins hydrauliques réglés en conséquence. Ils étaient situés sous les montants G4  et G 10 et au bout des montants G 15 et G 18, encadrant le lanceur.

Pour le Shuttle, le Crawler est décalé cette fois vers le l'avant, le Nord de 7 m environ afin de supporter le poids du véhicule et la plateforme n' est plus boulonnée mais simplement posée sur les colonnes et les piliers extensibles ne sont plus utilisés.

Dans le carré de 30 m environ de coté, les ingénieurs ont disposés de nouvelles plaques pour réaliser les fosses des moteurs SSME et des boosters. 

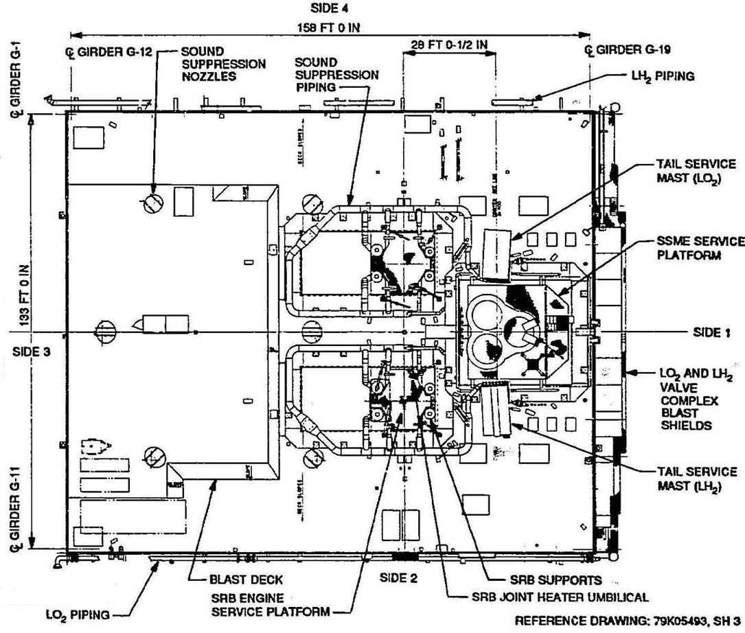
La figure ci dessous montre le MLP vue de dessus avec le Shuttle en position de lancement.

STRUCTURE

La structure interne de base du MLP est restée sensiblement la même par rapport au ML Apollo. Les deux figures ci dessous montrent le nouvel agencement interne, niveau A et B.

   

   

Les armatures de renfort au nord de la plateforme ont été enlevé ainsi que les accès au ascenseurs puisqu' ils ont été enlevés. Seul subsiste l' escalier permettant d' accéder à l' intérieur de la plateforme depuis le dessus et a évacuer le personnel par les tours de service du pad sur le coté 2. C'est sur ce coté que se connecte le MLP avec le pad. Le coté 2 a aussi une écoutille pour accéder à chaque niveau du MLP. Le coté 3, le plus simple a seulement une porte d'accès au MLP pour le niveau B et le coté 4, 2 portes pour le niveau A et 2 autres pour le niveaux B, en plus des interfaces canalisations et persienne de ventilation. Le coté 1 accueille tous les système relatif à l'alimentation en carburant pour les mats TSM et une porte d'accès au niveau B.

Les deux fosses pour l' évacuation des gaz des SRB mesurent 13 m de long sur 6, 2 de large. Elles sont à 11 m environ du bord de la plateforme. L' espace entre les deux fosses est d' environ 7 m.
La fosse SSME est presque carré mesurant 10 m de long sur 9,4 m de large. Elle est à 2,5 m du bord de la plateforme (coté 1). Dans ces fosses peuvent être installées des plates-formes de travail. Celle donnant accès aux moteurs SSME, Engine Service Plateform ESP, pèse 24 tonnes et mesure 10, 2 m de long, 9,3 m de large et 3,6 m de haut, extensible à 5,4 m. Les deux donnant accès aux tuyères des SRB, SRB Plateform pèsent 4 tonnes chacune et sont plus courtes, elles mesurent 6 m sur 6, pour 1,2 m de haut. Ces dernières sont positionnées sous les SRB et hissées à l' intérieur de la fosse, suspendues à des crochets par un système de boucle.

Au moment du lancement, ces plates-formes sont enlevées et rangées au bas de la rampe d' accès au pad, en dehors de l' aire de lancement

   

       

Les plateformes de services sous les moteurs SSME et SRB

 
    

Sur le dessus de la plateforme, à l'endroit où se situait la tour ombilicale Apollo ont été été installé les buses de sortie du système de déluge par eau chargées  d'arroser la plateforme au moment du lancement. Certains parties sur le dessus de la plateforme ont aussi été protégé du jet des moteurs par des plaques métalliques.

Les "hold down Post" qui supportent les boosters SRB sur les MLP



Les mises à feu FRF ont lieu juste avant les premiers vols des Orbiters, le 20 février 1981 avant le vol STS1 (Columbia), puis en 1983 (les 18 décembre 1982, 25 janvier et 4 avril 1983) avant le vol STS 6 (Challenger) , le 2 juin 1984 avant le vol 41D (Discvery), le 3 octobre 1984 avant le vol 51J (Atlantis) et le 6 avril 1992 avant le vol STS 49 (Endeavour). Elles durent en général 20 secondes. Un FRF a également eu lieu le 10 août 1988 avant la reprise des vols STS 26.

Le FRF Radiation Heat Shield est un bouclier métallique positionné sur le MLP entre la fosse des moteurs SSME et celle des SRB. Elle a pour but, lors des essais FRF Flight Readiness Firing, autrement dit tests de moteurs SSME sur le pad, d'éviter la surchauffe des boosters SRB juste à coté. La mise en place du panneau long de 20 m pour 5 m de hauteur environ nécessite le démontage d'un morceau de canalisations d'eau alimentant la fosse du SRB de droite. Le panneau est ensuite monter sur le pont de la plateforme et boulonné.



 

De chaque coté de la fosse d' évacuation des moteurs SSME, les mats de service TSM, Tail Service Mast en forme de gomme qui permettent le remplissage en propergol du réservoir externe et de l' Orbiter. Les canalisations arrivent de chaque coté de la plateforme.

Sur le coté 4 (Est ou droite) arrivent les 2 canalisations d'hydrogène liquide, remplissage et vidange en haut (canalisation blanche 10 inches de diamètre) et ventilation en bas (canalisation grise 12 inches de diamètre). Sur le coté 2 (Ouest ou gauche) arrivent les 2 canalisations d'oxygène liquide, vidange en haut (canalisation grise, 10 inches de diamètre) et remplissage en bas, 8 inches de diamètre. Elles alimentent les TSM en rentrant dans la plateforme coté 1 (TSM gauche pour l'hydrogène et TSM de droite pour l'oxygène). Une "casquette" en métal protège les installations de distribution de propergol des flammes des moteurs SSME au lancement.  

MLP side 1 pipes.jpg (1575191 octets)

4 plateformes ont été aménagés sur le coté 1, au Sud appelés AP1 à 4 (Access Plateform). AP1 est tout prêt du coté 2 (ouest) et supporte les canalisations LO2, remplissage et ventilation et les valves commandant ces lignes. AP4 est à l'opposée, tout prêt du coté 4 (Est) et supporte les canalisations LH2 de remplissage et ventilation. AP3 est au centre est supporte le "block" de contrôle des valves des canalisations LH2. AP2 est directement sous AP3 avec un petit panneau de contrôle hydraulique. Cette plateforme est essentiellement en place pour supporter la passerelle qui sert à relier le MLP au Crawler lors des déplacements du personnel. Il s'y trouve aussi une porte pour entrer dans le MLP au niveau inférieur B salle 45A et B.
Les canalisations traversent le MLP par des tunnels juste sous le niveau 0, le pont supérieur. Ces tunnels aboutissent au mat TSM et aux plates de connection T-0. Quelques différences sont à noter entre les 3 MLP, mais pas beaucoup. Les plateformes ont été changé durant toutes ces années. La partie la plus visible est un gros escalier reliant la AP1 au niveau 0, le pont supérieur du MLP afin que les ouvriers ne puissent plus rentrer dans le MLP pour parvenir au pont supérieur. Sur les cotés, au niveau des supports des pieds 3 et 6, un
e échelle carénée permet de rejoindre le sol rapidement.

      

       

Les 2 mats de service (9,4 m de haut, 4,6 m de long et 2,7 m de large) abritent les plaques des ombilicaux T-0 qui sont accrochées à l' arrière de l' Orbiter sur le compartiment moteur. Chacun des plateaux ombilicaux du T-0 est verrouillé sur le coté de l' Orbiter par deux garnitures de type colliers réglables, un à chaque coin supérieur et deux attaches au pied: un à chaque coin inférieur. Les pieds sont façonnés en forme de crochet et engagent un jeu de roulements dans les cotés de l'orbiter pendant l'opération d'assemblage. Les colliers au sol se déploient dans des garnitures réceptrices, verrouillant ainsi la plaque en place. 
Normalement, lorsque la pyrotechnie du TSM est mis à feu, une grosse masse (un contre poids en fait) tombe, tirant le mat et le panneau de l' ombilical dans un logement résistant au souffle des gaz via une série de poulies et de câbles. Au fur et à mesure que la masse tombe, elle tire aussi deux câbles d'acier qui déclenchent les mécanismes de déverrouillage des colliers, laissant le plateau se retirer du coté de l' Orbiter. 

Les TSM sur le MLP; a gauche le TSM LH2 alimenté par les canalisations coté Est de la plateforme et à droite, le TSM LOX alimenté par les canalisations coté Ouest de la plateforme.

MLP LO2 Umbilical C.JPG (469300 octets)           

TSM de droite avec la plaque ombilicale LOX et l'ombilical l'Orbiter. A droite, TSM de gauche avec la plaque ombilicale LH2 et l'ombilical l'Orbiter.

Les plaques ombilicales LH2 et LOX des TSM

Si pour une quelconque raison, l'élément pyrotechnique ne fonctionne pas ou que la masse ne tombe pas, le déverrouillage de secours entre en jeu. Il y a a un second jeu de câbles connectés entre les mécanismes de déverrouillage des colliers et la face avant du mat lui-même. Au fur et à mesure que le Shuttle monte, il va tirer les plateaux du porteur avec lui, tendant ces câbles et déclenchant le mécanisme de déverrouillage du collier, déverrouillant ainsi les panneaux de l' Orbiter. 
Finalement, les réceptacles des colliers sur l'orbiter sont assemblés avec de fines goupilles. Si tout va mal et que les colliers ne se déverrouillent pas, alors les goupilles cassent lorsque le panneau atteint la limite supérieur de son déplacement. Les réceptacles de l'orbiter resteront avec le panneau au sol du porteur.

Les plaques ombilicales (1,8 x 1,2 m et 20 cm d' épaisseur) sont montées sur un bras à à pivot. Au lancement, un système de contrepoids les déconnectent de l' Orbiter et les font basculer à l' intérieur tandis qu' un capot bascule lui pour éviter qu' ils ne soient endommagé par les flammes des moteurs. 

Les TSM de gauche sert pour l' hydrogène et celui de droite pour l' oxygène. De l' hélium et de l' azote gazeux, les systèmes réfrigérants, l' électricité, les données ainsi que les communications venant du sol passent aussi par ces mats de service.      

Dessin du TSM et du mécanisme de rentrée des ombilicaux T-0

Du fait que le STS utilise des moteurs principaux alimentés en LOX-LH2 hautement inflammable, il a fallu installer au niveau de la fosse d'évacuation des gaz des SSME à la sortie des tuyères un dispositif pour brûler l'excédent de vapeur d'hydrogène au moment de l'allumage des moteurs. Au nomment de l'ouverture des vannes, l'hydrogène passe à travers les pompes et le moteur 2 secondes avant l'oxygène et leur allumage. Cet hydrogène non brûlé sort par la tuyère à l'état gazeux. Plus léger de l'air, il remonte à la base des moteurs. Au moment de l'allumage des moteurs, il est aspiré vers le bas et brûle avec l'air ambiant ce qui crée une détonation qui peut endommager la structure de l'Orbiter. Avant le premier vol en 1981, le problème de l'évacuation de cet hydrogène gazeux est toujours critique et n'est toujours pas réglé par les ingénieurs. La firme Rocketdyne, concepteur des moteurs SSME est chargé de l'étude du problème, des essais et de la mise en oeuvre dont un coût estimé à 9 millions $. Un ingénieur de la NASA a eu une idée brillante. Alors qu'il brûlait des feu de Bengale pour le 4 juillet pour son fils, l'idée d'un système similaire pour brûler l'excédent d'hydrogène lui vint en tête. L'ingénieur appelle Dysneyland pour connaître le nom de son fournisseur en feu pyrotechnique pour ses spectacles nocturnes. Le cahier des charges était simples, un système capable de générer des étincelles de 9 mètres à 1200 °C. Cela se faisait pour le cinéma sans problème. Le système était vendu seulement 9,85$ chacun ! Adapté pour la NASA, chaque "sparkers" ou allumeur est revenu à seulement 1200$ l'unité.

Le ROFI Radially Outward Firing Initiators est une petite fusée qui brûle des pastilles de Zirconium. Ces micro pastilles de 550 microns sont projetées sous les tuyères des moteurs à très hautes températures. Pour l'essai de mise à feu des moteurs SSME le 20 février 1981, FRF 1, les système est programmé pour s'allumer à T-3,3 secondes. Après analyses, il s'avère que tout l'hydrogène n'est pas entièrement brûlé. Les ingénieurs décident alors de programmer l'allumage du système à T-7 secondes. Après le vol, le temps de démarrage du ROFI est ajusté à T-10 s, T-0 étant le moment de l'allumage des SRB, soit 3-4 secondes avant l'allumage des SSME. Jusqu'en 2011, la fin du programme, la durée n'a pas changé et le système a donné entière satisfaction. Lors du tir avorté de STS 93, le système a permit de brûler l'excédent de gaz présent dans le compartiment moteur de Columbia. Le système a permit aussi d'améliorer l'utilisation du système de déluge par eau et d'extinction des incendies sur le pad. Le système ROFI ne servait que lors de la séquence de démarrage des SSME pour minimiser l'onde de choc qui aurait pu créer lors de l'allumage de cet hydrogène gazeux au démarrage des SSME. Durant les autres périodes du compte à rebours, l'évacuation de cet hydrogène se faisait par la fosse SSME du MLP.

Les ROFI sont aussi utilisés sur le pad 37 pour les lancements du Delta H, mais déclenché à T-14 s.

A l' intérieur de la plateforme, des salles de contrôle permettent d' alimenter en fluides et gaz divers le Shuttle par l' intermédiaire d'un complexe système de plomberie, tuyaux et canalisations, d' assurer les liaisons électroniques pour les relais d' information et de commande entre le centre de contrôle LCC et le Shuttle et la machinerie permettant de descendre et de monter les plateformes situées dans les fosses SSME et SRB. Au moment du lancement, tous les objets sont attachés et fixés tandis que les compartiments du MLP sont pressurisés avec de l' azote afin d' éviter tout risques d' explosion.

MLP salles niveau A MLP salles niveau B

Il y a 38 salles à l'intérieur du MLP sur les niveaux A et B. 11 salles s'étendent sur toute la hauteur de la plateforme, toutes adjacentes aux fosses SRB et SSME. 5 salles (32AB, 35AB, 38AB, 39AB et 42AB) sont situées entre la fosse SRB et SSME et sont principalement utilisé pour accéder aux murs de ces fosses. Il en est de même pour les salles 30 AB, 46AB et 47AB. La salle 36AB entre les 2 fosses SRB abritait des équipements de contrôle. Elle est aujourd'hui vide. La salle 40AB, à l'ouest abrite les canalisations du système de déluge par eau. La salle 45AB qui cour le long du coté 1 abrite les canalisations du système anti feu sur le mur nord. Elle sert également pour rejoindre le niveau B.

Le niveau A contient 15 salles en plus des 11 doubles. On y accède par le niveau 0, le coté 2 et le coté 4. L'escalier du niveau 0 débouche dans un corridor à l'intérieur du MLP qui s'étend à l'ouest vers l'écoutille de la porte du coté 2 et à l'est vers un sas d'air, la plus grande zone du niveau A avec les salles 7A, 8A, 9A et 10A. La salle 8 et 9A abritent les panneaux du système d'alimentation du MLP et le système informatique, la salles 7A et 10A d'autres panneaux électriques et le système de détection de gaz toxique. Une porte dans la salle 10A donne accès au couloir du corridor. La salle 15A au coin Nord Ouest était destiné aux petites charges utiles du DoD. Elle sert de stockage maintenant. De l'autre coté du corridor, la salle 19A utilisée pour le stockage, la salle 18A pour le repos du personnel et la salle 21A abritant le système anti incendie. Une porte donne sur la salle 9A. Sur le coté 4, 2 autres salles, la 1A utilisée pour du stockage et la salle 2A qui abrite tout le système destiné à fournir de l'air propre à l'Orbiter. Un escalier permet d'accéder au niveau B. La salle donne accès aussi aux salles 33A et 34A abritant les appareils de contrôle de l'air propre et les canalisations du système de contrôle environnemental et du déluge par eau. Les salles 43A et 4A sont de l'autre coté de la fosse SSME. Elles abritent les systèmes de contrôle des plateformes hydrauliques, des gaz toxiques et la purge des réservoirs ET et SSME et sont traversées par les canalisations du système de déluge par eau. La salle 16A abrite les contrôles électriques d'alimentation du MLP avec elle aussi un escalier qui descend au niveau B. Une porte donne accès à la salle 41A (qui abrite les treuils aidant à la mise en place d'équipements support sol) et 19A. La salle 37A, entre les fosses SRB abrite également des treuils.  

Le niveau B a lui 12 salles disposées de façon similaire au niveau A, exception qu'il n'y a pas de corridor au nord de la plateforme. A cet endroit, il y a 3 salles, la 7B, 8B, 9B, 10B, 21B et 22B avec un escalier central pour rejoindre le niveaux 0. Autour, sur les murs, les panneaux d'instruments, du GMS (Ground Measurement System) et une grosse canalisation du déluge par eau. La salle 1B, à l'est contient les système de contrôle pneumatiques pour l'hélium et l'azote et la salle 15B, à l'ouest tous les panneaux d'instruments d'interface avec l'Orbiter. La disposition des autres salles est identiques au niveau A. La salle 2B et 16B abritent les systèmes hydrauliques des SRB. La salle 2B est aussi traversée par un conduit du système de dé&luge par eau et la salle 16B par un conduit du système d'air conditionné HVAC. La salle 33B contrôle les purge SRB et la déconnection du ET, la salle 34B contrôle l'hydrogène liquide, la salle 44B l'oxygène liquide et la salle 43B l'hydraulique de l'Orbiter. La salle 41B abrite les valves de contrôle du système de déluge par eau.

MLP Keller 01.jpg (65498 octets) MLP Keller 02.jpg (62070 octets)
Salle 34 A (près de la fosse SSME) Salle 1A (coté 4)
MLP Keller 03.jpg (62208 octets) MLP Keller 04.jpg (63369 octets)
Salle 7A (coin NE) Salle 8A (coin NE)

Quelques vues des salles intérieures du MLP préparées pour un lancement. Photos Kim Keller

Les accès intérieurs de la plateforme n'ont pas changé sur le cotés 2 et 4 par contre un accès a été crée sur le coté 1. Du fait que le système de tube toboggan pour l' évacuation en urgence n' est plus utilisé, l' accès correspondante sur le MLP a été bouchée, le tube sur le pad bouché et la "Rubber room" à l'intérieur du pas fermée pour des raisons de sécurité. 

Chaque MLP assure les interfaces avec le pad à savoir le système de suppression du bruit, le transfert des propergols pour le réservoir, le transfert des ergols, les liaisons électriques, les communications au travers des mats de service TSM du MLP.

           

Interfaces 9099 de branchements du MLP au pad sur le coté "Side 2" et les connections flexibles au sol (alimentation en eau potable, anti incendie, déchets et ventilation)

 

Scans de la structure du ML Apollo fournie par John Duncan et celle du MLP et des TSM aimablement fournies par Kim Keller.