|

|
Ariane 5 est un lanceur dit
à "deux étages et demi" car il se compose d' un étage principal accolé par deux
boosters. Ces derniers sont largués en vol, alors que l'étage central
continue sa route. Au lancement, l'étage principal à propergol liquide est
allumé en même temps que les deux boosters, l'ensemble fournissant
quelques 1344 tonnes de poussée dans le vide. Le
lanceur mesure 51,4 m (version Ariane 5G) pour une masse de 746 tonnes.
1/ Coiffe
2/ SPELTRA
3/ Case à équipement
4/ Etage EPS
5/ EAP
6/ EPC
7/ Moteur Vulcain
8/ Moteur MPS |
 |

LES EAP, Etage d'
Accélération à Poudre
 |
Les 2 Etages d' Accélération à Poudre - EAP -
d'Ariane 5 de forme cylindrique sont les boosters ou les fusées d'appoint du lanceur. On peut les comparer à
deux énormes pétards qui contiennent 237,7 tonnes de poudre. Les EAP fournissent en effet la grande majorité de la poussée au décollage (90 %)
pour 24 fois la masse d'un PAP d'Ariane 4.
Comparé au moteur Vulcain de l'EPC, les deux
EAP ne peuvent être éteints une fois allumés, d'où leur danger en cas de
défaillance. Leur allumage est irréversible. C'est d'ailleurs ce qui a coûté
la vie aux 7 astronautes de la navette spatiale américaine Challenger en 1986.
En effet, les joints ont fuit dès l'allumage des boosters et finalement, les
flammes ont attaqué le réservoir de la navette qui a donc explosé. Il était
impossible de stopper le vol une fois les boosters allumés.
Les EAP assurent le maintien du lanceur au sol,
la séparation du lanceur, la transmission des mesures et leur neutralisation
(sur séparation intempestive provoquée par l' EAP ou de l' EPC). Chaque EAP
mesure 27,343 m de hauteur 3,05 m de diamètre pour une masse à vide de 38
tonnes (238 tonnes de propergol solide).
Chaque EAP est composée d' un moteur MPS,
une jupe arrière et avant JAR et JAV, d' un groupe d' activation tuyère GAT d'
un dispositif d' accrochage avant et arrière DAAV et DAAR, d' équipements
électriques et pyro ainsi que divers accessoires et capotages.
Le moteur MPS assure la propulsion du
booster en délivrant au sol une poussée de 540 tonnes soit une Ariane 44L.
La courbe de poussée est calculé pour minimiser les efforts aérodynamiques et optimiser les performances (maximale durant les 20
premières secondes avec un long pallier de 80 secondes). |
|
Le MPS comprend 5 composants majeurs l' enveloppe métallique CPN, la
tuyère, la protection thermique interne, le propergol et l' allumeur.
Le corps de propulseur nu CPN est l' enveloppe externe du propulseur, il est
constitué de 7 viroles obtenues par fluotournage d' ébauches en acier et 2
fonds. Les viroles et les fonds sont assemblés par des liaisons de type
tenon-mortaise maintenues par des pions. Ces liaisons sont de 2 types, suivant
le nombre de joint toriques qu' elles comprennent: les liaisons usines de type 1
avec un seul joint et les liaisons usines de type 2, les liaisons inter segments
avec 2 joints.
L' EAP est composé de trois segments : le segment avant
S1 est fabriqué en Italie
et les deux autres S2 et 3 directement en Guyane dans l' usine UPG. Ils sont ensuite acheminés par la route sur le fardier
une remorque
à roues multiples conçues pour cet usage depuis l' usine jusqu'au Bâtiment d'Intégration Propulseurs
BIP où ils sont préparés, assemblés en position verticale sur leurs
palettes (dont ils resteront solidaires pendant toute la phase de préparation
jusqu'au décollage) et tiré par un transbordeur (table mobile de 180 tonnes) préparés et équipés par la société franco-italienne
Europropulsion.
Le segment, S1 mesure 3,5
m de long et contient 23,4 tonnes de poudre. Le segment central,
S2 mesure lui 10,17 m de long et contient 107,4 tonnes de poudre. Le dernier segment
à l' arrière, S3 mesure 11,1 m de
long et contient 106,7 tonnes de poudre.
La tuyère à la base est chargée d' évacuer
les gaz de propulsion à raison de 2 tonnes par secondes. Fixée sur le segment
3, elle peut s' orienter à 6° (7,3° maxi). Elle mesure 3,78 m de long, 2,99 m de diamètre
et pèse 6,4 tonnes. Elle est conçu dans un alliage métallique et composite
(avec de la silice) pour résister à la très haute température dégagée. La
pression de combustion dans l'EAP est de 61,34 bars. Les segments du corps
central sont en en
acier de 8 mm d'épaisseur. l' intérieur est recouvert d' une protection thermique à base de
caoutchouc. Ils sont séparés par des lignes inter segments d'isolation. Ces
joints sont placés entre les segments.
|

|
|
|
 |
Les segments sont chargés en poudre de
manière cylindrique. Vu de dessus, on verrait à l'extérieur la coque, puis à
l'intérieur, un long cylindre creux de poudre solide. Le milieu est troué
pour faire sortir les gaz par le bas.
La poudre que l'on met dans les segments se
décompose en :
_ 68% de perchlorate d'ammonium
(oxydant de la réaction chimique) NH4 + et ClO4 -
_ 18% d'aluminium (réducteur de la
réaction chimique) Al
_ 14% de polybutadiène et de divers (liant)
La combustion se fait de l'intérieur vers l'extérieur de chaque segment à raison
de 7,4 mm-s. A l'intérieur la pression est de 61 nras, les gaz s'éjectant à la
vitesse de 2 tonnes par seconde.
Le perchlorate d'ammonium et l'aluminium
réagissent ensemble pour former les gaz de propulsion. La combustion libère
des particules d'alumine (issue de l'aluminium) pouvant nuire à
l'environnement, alors que l'hydrogène et l'oxygène liquide de l'EPC sont sans
influence notable (sauf pour la couche d'ozone). Autour du centre de Kourou, de
nombreux capteurs mesurent le taux en alumine de l'atmosphère. Le liant
(polybutadiène) permet aux deux composants de bien se mélanger lors de leur
préparation, car sinon, ils se sépareraient automatiquement (comme un peu
l'huile et l'eau). Pour le vol 502, le propergol a été produit par Regulus, à l'UPS
au CSG. Pour 501, il venait de l'américian Kerr McGee, ainsi que les vols 503,
504 et 505. McGee a été racheté par Wecco (American pacific). La SNPE à Toulouse
sera le seul fournisseur de propergols pour Ariane 5 puisque McGee a annoncé
arrêtter ses activités. La politique d'Arianespace voudrait un double
approvisionnement des sources. L'usine de toulouse assure produire 5 000 tonnes
de propergols, assez pour 14 vols Ariane 5 et dispose en plus d'un stock pour 10
vols.
Au sommet de l'EAP, l'allumeur mesure 1,25 m de long pour 47 cm de diamètre
et
une masse de 315 kg et 65 kg
de poudre. Il va permettre d'allumer le booster en amorçant la combustion de la
poudre qui va générer la combustion de tous les segment progressivement en 350
ms.
|
| Autour de ces segments, viennent se greffer
des organes divers. Des gouttières électriques suivent tout l'EAP pour les
lignes électriques. On retrouve aussi les systèmes d'accrochage à l'EPC. A
l'arrière, il s'agit d'un anneau qui fait le tour de l'EAP et qui est relié à
l'EPC par 3 barres (bielles). Ce système est appelé DAAR - Dispositif
d'Accrochage ARrière).

A l'avant (en haut), il y a un système comprenant un vérins d'amortissement
pour éviter les à-coups (DIAS - DIspositif ASsouplisseur) relié au système
d'accrochage DAAV - Dispositif d'Accrochage AVant. |
 |
 |
 |
|
Après l'épuisement de la poudre, l'EAP est
largué. Pour cela, on amorce 8 fusées d'éloignement et on déconnecte les
DAAR et DAAV.
Ces 8 fusées se répartissent ainsi : 4 à l'avant (en haut) et 4 à l'arrière
(en bas). Ces fusées contiennent chacune 18,9 kg de poudre. Elles fourniront
entre 66 et 73 kN (100 kg) de poussée pendant une demi seconde.

L'EAP 238, dit version de base
vole avec les premières Ariane 5. Avec les versions Evolution, Ariane 5ECA et
ES, la quantité de propergols augmente de 3 tonnes, la tuyère et la carcasse
sont allégées, ce sont les EAP 241. En réduisant le nombre de segments à 3 au
lieu de 7, les boosters prennent la désignation de EAP 241A.
Les EAP peuvent être récupérés en vol
intacts après leur fonctionnement afin d'effectuer des analyses. Pour cela, le
haut du booster dispose dans sa jupe avant d'un système de parachute. Ces
parachutes sont d'ailleurs fournit par les Russes, une petite contribution, mais
très symbolique. Le plus grand des parachutes fait 1800 m2.
|
 |
 |
 |
| La
jupe avant de l'EAP |
La
jupe arrière de l'EAP |
Le
système GAT de l'EAP |
| La jupe avant assure la
transmission des efforts entre l' EAP et le dispositif d' attache avant
DAAV, un amortissement des mouvements relatifs EPC EAP. C' est une
structure composée d' un cadre principal de liaison avec le MPS, 5 cadres
rendus rigides par des raidisseurs et recouverts d' un revêtement, un
dispositif assouplisseur charger de filtrer les oscillations que produit
le propulseur (base de caoutchouc). la jupe reçoit le système de
séparation avec les fusées d' éloignement, le système de
récupération, les équipements électrique et pyro, les ancrages du
dispositif assouplisseur et des matériaux isolants.
La jupe arrière, supporte au
sol les EAP. Cette structure métallique est composée de 2 cadres rendus
rigides par des renforts et recouverts d' un revêtement, des fixations
du GAT, des fusées d' éloignement arrière, des équipements
électriques et pyro et de matériaux isolants.
Le GAT groupe d' activation
tuyère est situé sur la jupe arrière. Il permet l' orientation de la
tuyère grâce à de l' huile maintenue sous pression (200 litres sous 380
bars) par de l' hélium dans un réservoir de 4 m de long réalisé en fibre
de carbone (masse totale 900 kg). Il permet le pilotage de l' EAP (asservissement
de la tuyère et mesure de vitesse angulaire) par l' intermédiaire de 2
réservoirs d' huiles identiques et deux servo moteur disposés à 90° l'
un de l' autre permettant des inclinaisons de 6°. Pour Ariane 5 GS, un
réservoir a été enlevé,
à la suite d'une étude menée
par une ingénieure spécialiste du pilotage ASTRIUM.


Les boosters EAP-238 ont 2 réservoirs hydrauliques à la base de
chaque booster (ceux-ci alimentent le système de vecteur de poussée). Sur l'EAP-241,
celui-ci est remplacé par un seul plus grand.
|
|
LE
MOTEUR MPS
|
EPC, Etage Principal
Cryogénique
|

|
Servant de base pour fixer les boosters EAP,
l' Etage
Principal Cryotechnique - EPC - une énorme bouteille thermos de 30,525 m de haut,
5,458 m de diamètre et pesant 12300 kg vide est réalisée en alliage d'aluminium 2219.
L' EPC est constitué d' un réservoir
isolé équipé RIE, la jupe avant équipée JAVE, le bati moteur équipé
BME, le moteur Vulcain et les équipements associés (électricité,
mécaniques et fluides).
Ariane 5 utilise l'hydrogène brûlant dans
l'oxygène. La Navette Américaine fonctionne de même. La réaction chimique
produite est la synthèse de l'eau avec libération d' une grande quantité d'
énergie.
L'oxygène et l'hydrogène liquides sont
maintenus à basse température pour les garder liquides dans le RIE. Il y a donc, un
réservoir inférieur de 391 m3, renfermant 26 tonnes d'hydrogène (-253°C) . Au dessus,
on trouve un deuxième réservoir à fond commun avec le premier de 123 m3,
renfermant 132,5 tonnes d'oxygène -183°C).
|
|
Il est normal de noter qu'on emporte une masse plus importante d'oxygène dans
un volume plus petit car l'oxygène liquide est beaucoup plus lourd pour un
même volume que l'hydrogène liquide. L'épaisseur des réservoirs est de
l'ordre de 4 mm sur les parois avec une protection thermique en polyuréthane
expansé de 2 cm d'épaisseur (250 panneaux). Les deux réservoirs sont pressurisés (mis sous
pression) quelques 4 h 30 min avant le décollage avec de l'hélium. Cet hélium
provient d'une sphère situé à côté du moteur Vulcain. Cette sphère est
isolé thermiquement par une poche d'air. Ces 145 kg d'hélium sont pressurisés
à 19 bars au décollage puis 17 au cours du vol. Cet hélium va pressuriser les
réservoirs à 3,5 bars pour l'oxygène et 2,15 pour l'hydrogène. Au cours du vol, l'oxygène sera pressurisé
à 3,7 puis 3,45 bars toujours avec de l'hélium. Le débit moyen d'hélium dans
le réservoir est de l'ordre de 0,2 kg/s. L'hydrogène liquide sera maintenu
sous pression par de l'hydrogène gazeux. Cet hydrogène gazeux est prélevé en
bas de l'étage avant le moteur, puis réchauffé et transformé en gaz (à
environ -170°C), est réinjecté dans le réservoir d'hydrogène liquide. En
moyenne, cela représente un débit de 0,4 kg/s. Il y a donc tout un jeu de
valves et de vannes pour commander les différentes pressions. Un système spécial prélève le combustible
dans le réservoirs. Il fournit au moteur, quelques 200 litres d'oxygène et 600
litres d'hydrogène par seconde.
|
|
|
|
|
|

|
La jupe avant cylindrique est fixé sur
la partie avant du RIE par des rivets. Elle reprend toutes les forces
propulsives transmises par les EAP au moyen d' un caisson de renfort et
assure l' interface avec la case à équipement au moyen d' une liaison
boulonnée. Elle reçoit la quasi totalité des équipements électrique et
les attaches des EAP.
La fiabilité de l'étage est de 99,26 %. Au total, ce sont 270 kg/s d'ergols
qui sont consommés. La propulsion cryogénique est très performante mais
demande un démarrage spécifique, des moteurs très évolués et des pompes
puissantes. |

|
Le bâti moteur est situé
entre le RIE et le moteur Vulcain. Il permet sa fixation et le transfert
de ses efforts de propulsion vers le RIE. Il assure aussi l' ancrage des
EAP et la transmission de leur poussée.
Il assure aussi l' interface aux liaisons bord sol LBS, aux servo vérins
SVe du Vulcain et les moyens de manutention au sol de l' étage.
|
|

|

|

|
Les principaux éléments fixés au bâti sont le sous système hélium liquide
SSHel, le groupe d' activation moteur GAM et les sphères haute
pression.
Le GAM permet comme sur les EAP d'
orienter la tuyère du Vulcain grâce à des vérins alimenté en huile pressurise
contenu dans un réservoir de 180 litres.
L'EPC de base, H155 emporte 155
tonnes d'ergols et utilise un moteur Vulcain 1 cryogénique
(oxygène et hydrogène). Les versions Evolution utilisent un
moteur Vulcain 2, 22% de poussée en plus que le Vulcain 1,
passant de 110 à 135 tonnes. La cloison entre les réservoirs a
donc été déplacée pour obtenir les tailles de réservoir
correctes. La masse de propergol embarquée passe à 173 tonnes
pour la même hauteur, évitant des changements majeurs à la
structuration (25 tonnes LH2 et 150 LOX). L'isolation thermique
est aussi changée. |
|
LE
MOTEUR VULCAIN
|
EPS, Etage à Propergols
Stockables
|

|
L' Etage à Propergols Stockables
EPS est l' étage supérieur d' Ariane 5, sa mission est d'ajuster la satellisation des charges utiles selon l'orbite
visée et d'assurer leur orientation et leur séparation. Situé à l'
intérieur du lanceur, il ne subit pas les ambiances extérieures. Sa conception
est simple, c' est un étage pressurisé sans turbopompes de forme tronconique
qui s' intercale entre la case et l' adaptateur de charge utile. L'EPS, réalisé sous
la responsabilité d'Astrium EADS, est une structure de 1200 kg constituée d' un ensemble de 4 réservoirs
en aluminium contenant au
total jusqu'à 9,7 tonnes d'ergols classiques MMH (CH3 - N2H3 (CH6N2)) et N2O4
hypergoliques (3200 et 6500 kg respectivement). Il
mesure 3,356 m de hauteur avec la tuyère, 3,963 m de diamètre au niveau de l'
interface de la case et 2,624 m au niveau de l' adaptateur charge utile.
|
La structure de l' EPS est en nid d' abeille
aluminium avec la partie tronconique, une calotte sphérique supportant le
moteur, les 4 réservoirs et les équipements, des panneaux en croix raidisseur
et 10 biellettes supportant les deux réservoirs d' hélium (fibre de carbone
sous 400 bars).
Le moteur Aestus (Daimler-Benz
Aerospace)
développe 29 kN de poussée (3
tonnes de poussée au sol) pendant
1100 secondes (18 mn 30 s). Sa particularité est d' être rallumé en vol deux fois
afin d' optimiser certaines charges utiles.
Sa tuyère est articulée selon deux axes pour le pilotage (9,5°). L'allumage
de l'EPS est précédé d'une phase balistique dans le cas des missions en
orbite basse. Elle permet également de libérer l'orbite d'une charge utile
après sa séparation, notamment en orbite basse pour injection à l'intérieur
du domaine d'évolution d'une future station spatiale. |

|
 |
 |
 |
| Les réservoirs d'ergols sont pressurisé par deux sphères d'hélium (34 kg)
sous 400 bars réduits à 21 bars par un détendeur. Ne disposant pas de
turbopompes pour aspirer le carburant dans les réservoirs, c'est la pression
créée qui insuffle les deux ergols dans la chambre de combustion.
A la version de base de l'EPS
sera développé une version SPES
L10, issue du programme "perfo
2000" avec 260 kg d'ergols MMH en plus (réservoirs allongés et 30
secondes de combustion en plus.
Cet étage volera avec des réservoirs remplit à
100% pour la mise en orbite des satellites Galiléo et à moitie pour les
missions ATV. |
|
|
|
LA CASE A EQUIPEMENT VEB
|

|
La Case à équipements est le véritable
cerveau d'Ariane 5. En effet, Ariane 5 n'est pas pilotée du sol mais se
télécommande elle-même avec ses propres capteurs et calculateurs. Les années ont montré qu'on ne peut pas se
fier toujours à la technologie, qui peut subir des problèmes divers et
variés. C'est pourquoi, tous les systèmes de vol sont doublés dans la case à
équipements pour palier à toute interruption d'un appareil.
|
La Case à équipements mesure 5,43 m de
diamètre à sa base et 5,46 m au sommet pour permettre d'y fixer soit la structure
SPELTRA, soit la
coiffe. Elle mesure 1,56 m d'épaisseur pour une masse de 1,5 tonne. L'interface avec
l'EPS
qui va se glisser dans l'anneau mesure au sommet 3,97 m de diamètre. Le plateau
pour poser les instruments mesure alors 33,4 cm de large.
Réalisée sous la
responsabilité industrielle d'Astrium, elle est est constituée d'une structure
cylindrique externe (système de séparation des composites inférieurs et
supérieur du lanceur) un cône interne supportant l'EPS et abritant une partie des
équipements électriques nécessaires au déroulement de la mission, 2 plateaux
servant de support aux équipements électroniques et une membrane
séparant le volume case du volume charge utile.
|

|
|

|
La virole cylindrique est constituée
de 2 parties séparées par une bride intermédiaire, au niveau de
laquelle est aménagé le système de séparation case/EPC. La base du
cône supportant l' EPS repose également sur cette bride. Après
séparation, la partie inférieure de la virole externe, haut de 51 cm
reste solidaire de l' étage EPC. La partie supérieure de la virole,
équipée de 8 portes d' accès aux équipements internes supporte les
platines tuyère du SCA, les réservoirs d' hydrazine, les tuyauterie du
SCA, les 2 antennes de télémesure et les plaques de remplissage
vidange de l' EPS.
La partie supérieure de la virole
comporte aussi une bride assurant l' interface mécanique entre la case
et le SPELTRA , des supports pour les connections électriques SPELTRA.
La partie inférieure supporte aussi les 8 vernis pyro pour la
séparation de l' EPC composite supérieur, les prises ombilicales de la
charge utile basse.
|
|
Le cône interne de 870 mm de hauteur
supporte les 2 plateaux porte équipements, par l' intermédiaire de
consoles, le toron principal de câblage de connections charge utile, une
bride située à la partie supérieure du cône et servant d' interface mécanique case / EPS et 2 plaques circulaires situées également à la
partie supérieure du cône, équipées des connecteurs électriques de
l' EPS. Il est constitué d' une structure en nid d' abeille aluminium
avec peaux en fibre de carbone et est protégé du coté de l' EPS par
une protection thermique multicouches.
Les volumes entre la case, la SPELTRA ou coiffe
sont séparés par une membrane en matériau léger capable de supporter
une variation de pression de 100 mbars entre les 2 volumes. Elle
assurent aussi une isolation complète du volume charge utile.
|
|
|

|
Une grande
partie des équipements utilisés pour le contrôle de vol et la télémesure y
sont, en effet, installés. Elle abrite également le Système (propulsif) de
Contrôle d'Attitude à hydrazine N2H4 (SCA) qui comprend deux blocs de tuyères
permettant notamment le contrôle en roulis du lanceur pendant les phases
propulsées et le contrôle d'attitude du composite supérieur pendant la phase
de largage des charges utiles. La durée de fonctionnement maximale spécifiée
de la case est de l'ordre de 6 900 secondes (la durée d'utilisation maximale
étant observée lors des missions en orbite basse).SCA, ces initiales cachent un système qui
permet de palier aux irrégularités du moteur Vulcain, mais aussi à permettre
la mise en place des satellites en 3D. Le Système de Contrôle d'Attitude (et non
d'Altitude) intègre deux réservoirs sphériques en titane contenant 38 litres
d'hydrazine chacun pressurisés à 26 bars au décollage par de l'azote. Le
système inclus aussi deux modules à trois propulseurs de 460 N de poussée (50
kg au sol).
|
|
Fonctionnement du SCA
Durant la première phase du vol, les deux EAP
permettent de contrôler le roulis (la rotation sur lui-même) du lanceur. En
effet, si le lanceur se met en rotation, il perd de l'énergie et cela fait que
le carburant (oxygène ou hydrogène liquides) remontent sur les parois du
réservoirs sous l'effet de la force centrifuge. Or, les sondes qui mesurent la
quantité d'ergols restants et les canalisations sont placées au milieu du
réservoir. Cela pourrait occasionner un arrêt prématuré des réservoirs.
Cela s'est produit sur le vol de qualification n°2 (vol 502).
|

|
Donc, pendant la première phase de vol, les
calculateurs utilisent les deux boosters pour palier au roulis. Or, des leur
largage, il ne reste qu'un moteur, le Vulcain. Or, le lanceur peut donc alors se
mettre en rotation. Le système SCA dispose de deux modules de 3 propulseurs :
un vers la droite, un vers la gauche et un vers le bas. Pendant cette seconde
phase de vol, pour corriger une rotation, on allume le moteur correspond pour
stopper cette rotation.
Suite au vol 502 durant lequel le système
n'avait pas été suffisant pour palier au roulis, les responsables ont
préférés provisoirement renforcer le système à 6 sphères et 10
propulseurs. Dans ce dernier cas, la case atteint une masse de 1,73 tonne. |
|
Les instruments de la case à équipements
Sur le plateau horizontal de 33,4 cm situé
dans l'anneau, on trouve tous les instruments de vol. En fait, le système
n'occupe que la moitié, l'autre moitié étant la copie du système en cas de
défaillance. Voici la description dans le sens des aiguilles des instruments
vus de dessus:
_ Passage ligne MMH, trou permettant
de faire passer la canalisation alimentant l'EPS en MMH, qui est un des
combustibles utilisé.
_ Électronique Séquentielle
_ Interface électrique avec l'EPS
_ Électronique de pilotage
électrique
_ Centrale de commutation, sans doute l'appareil qui doit basculer sur l'autre
système en cas de défaillance du premier
_ Connexion électrique Speltra /
Coiffe, interface électrique vers la coiffe ou via la SPELTRA
_ Un module Système de Correction d'Attitude
_ La pile puis la batterie
_ Le trou pour le câblage venant de l'EPC
_ L'antenne émettrice et réceptrice de télémesure avec les radars au sol
_ Trous pour la ventilation
_ Trous pour le câblage avec la charge utile
_ Boîtier de commande de sauvegarde, qui commande la destruction du lanceur
_ Le calculateur OBC, qui en utilisant les infos des SRI commande les moteurs du
lanceur pour qu'il atteigne son but : le largage des satellites. Il calcule la
trajectoire de vol.
_ L'Unité d'Acquisition
_ Les conditionneurs, sans doute pour la climatisation de l'étage (?)
_ Les Systèmes de Référence
Inertielle SRI, pièce maîtresse du contrôle du vol d'Ariane 5. Elle intègre
3 centrales inertielles qui donnent la position du lanceur dans l'espace ainsi
que 4 accéléromètres qui donnent l'accélération que subit le lanceur.
_ Unité de centrale télémesure,
unité qui traite les infos reçues et à envoyer du/au sol.
_ Vannes d'isolement SCA, vannes permettant de contrôler les SCA (?)
_ Enfin, un réservoir sphérique en titane contenant l'hydrazine pour le SCA.
| VEB (case à
quipements) |
Ariane 5G
|
5 GS |
ECA |
ES ATV
|
Inconue
|
GS |
ES Galileo
|
ECA+ |
| type |
A |
B |
C |
D |
E |
F |
G |
H |
| Masse au
lancement |
1500 kg |
1250 kg |
950 kg |
1900 kg |
_ |
_ |
_ |
_ |
| Masse à vide |
1430 kg |
1180 kg |
950 kg |
1690 kg |
_ |
_ |
_ |
865 kg? |
| Hauteur |
1560 mm |
1560 mm |
1130 mm |
1560 mm |
_ |
_ |
_ |
_ |
| Réservoirs RCS |
2-6 |
2 |
0 |
6 |
_ |
_ |
3 |
_ |
| Durée en orbite |
115 min |
2 h |
_ |
6 h |
_ |
_ |
6 h |
_ |
| Masse CU
|
_ |
_ |
_ |
_ |
_ |
_ |
+85 kg |
| Premier vol |
_ |
_ |
_ |
V181 |
_ |
V166 |
VA233 |
_ |
|
|
|
|
SPELTRA, SYLDA 5, COIFFE ET CHARGE
UTILE
La particularité des Ariane est de
pouvoir pratiquer des lancements double. Pour cela, on dispose de structures de
lancement multiple. Actuellement, Ariane 5 peut utiliser deux systèmes de
lancement multiple, la SPELTRA et le Sylda 5. Bien entendu, on peut lancer un satellite uniquement, mais
pour des raisons économiques, on préfère en lancer deux.
|

|
SPELTRA
La Speltra,
structure porteuse externe de lancement triple est une structure en nid d' abeille
carbone résine de 3 cm d' épaisseur de forme cylindrique avec une partie
supérieure tronconique (6 panneaux). Contrairement au Sylda, système de
lancement double qui est logée dans la
coiffe, la Speltra se place entre la case à équipements et la coiffe comme la
Spelda sur Ariane 4. Elle a donc un diamètre extérieur de 5,435 m (5,375 m
intérieur). Elle comporte des portes d'accès (une à six) et une prise ombilicale pour relier
la charge utile au mât de lancement.
La partie inférieure du Speltra se pose sur la case tandis que la partie
supérieure cylindrique sert de cadre de liaison pour la coiffe et celle
tronconique d' adaptateur pour les charges utiles.
|
|
Un Speltra long est d'abord développé: 5,66 m d'utile pour une
structure de 7 m de haut pesant 820 kg. Afin d'augmenter les
performances, un Speltra raccourcis de 1,5 m est mis en chantier
en 1995, mais ne sera jamais utilisé. La partie utile est haute de 4,16 m pour une hauteur
totale de 5,5 m et une masse de 704 kg. De part sa hauteur, la structure ne peut utilisée qu'avec des
coiffes courtes et moyennes. La Speltra n'a été utilisé que sur
les 3 premiers vols Ariane 5. Trop lourde et trop contraignante
pour les satellites, elle a été remplacé
par le Sylda 5, plus léger, 450 kg. |

|
| Vue déroulée du Speltra
long 5660 d'Ariane 5 avec les fenêtres radio transparente et les portes d'accès aux CU
d'un diamètre de 30 cm. La distance minimum entre 2 axes de
portes est de 120 cm. |
 |
|


 |
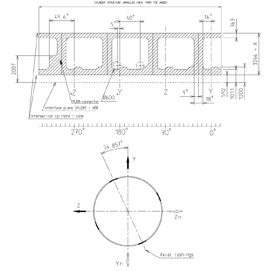
SYLDA 5
Le Sylda 5 est une nouvelle structure sortie
des usines de Daimler-Benz Aerospace décidé en octobre 1995 dans le cadre du
programme Ariane 5 Evolution, principalement
pour améliorer les performances de l'orbite de transfert
géostationnaire du véhicule de 5,97 t à 7,4 t.
Alors que la Speltra est extérieure au lanceur, le Sylda est
enfermé dans la coiffe. Le cône arrière en bas mesure 59,2 cm
d'épaisseur pour 5,435 m de diamètre à sa base.
La structure cylindrique centrale mesure 4,561 m de diamètre pour 3,244 m de
haut.
Enfin, le cône supérieur mesure 1,067 m de haut et se termine par une zone
circulaire d'interface avec la charge utile de 2,624 m de diamètre. Au total,
le Sylda-5 mesure 4,903 m de haut pour une masse de 440 kg. La version 5+900
voit sa partie centrale passer à 4,136 m de long et la version
+1500 à 4,73 m. AE utilisera aussi les versions +300, +2100,
+1200 et +600.Le
Sylda 5 Standard vole sur V128 en mars 2000, le +900 sur V140 en
mars 2001, le +1500 sur V157 en décembre 2002, le +300 sur V131
en juin 2003. Une version +2100 vole sur V196 en aout 2010, une
version +1200 sur VA207 en juillet 2012, la version + 600 sur
VA214 en juillet 2013.
Le Sylda st, +300, +600, +900, +1200 peut être monté sous une
coiffe courte, moyenne et longue.
Le Sylda standard, +300, +600, +900 peut être monté sous une coiffe
courte, moyenne et longue.
|
|
Dans la cadre d'un lancement simple, le
satellite est placé sur l'EPS, avec optionnellement un adaptateur de charge
utile ACU.
Dans la cadre d'un lancement double, un satellite est mis sous la cloche formé
par la Speltra ou la Sylda-5. Ensuite, on place le second satellite sur la
structure porteuse, toujours optionnellement avec un adaptateur.


Vue interne développé du Sylda 5 de référence
(user manuals 2000). L'accessibilité des CU pour les autres versions du Sylda
est proportionnelle étendue en respectant les hauteurs "x" 300, 600, 900, 1200
et 1500 mm.
Sylda 5 F de référence, user manuals 2008, haut de 3,836 m. En bleu, les trou
pour l'accès aux CU, d'un diamètre de 60 cm.
|
|
ACU, ACY DISPENSEURS...
Toutes les interfaces
charge utile sur l'EPS, la Speltra ou le Sylda font 2,624 m de diamètre. Si un
satellite peut utiliser ce diamètre, un adaptateur n'est pas nécessaire. Toutefois,
afin de satisfaire le plus grand nombre, 3 adaptateurs charges utiles ACU ont été développés permettant d'avoir
des interfaces
de diamètres différentes:
- Interface 1666SP5 et V pour une interface de 1,666
m de diamètre, pesant 120 kg
- Interface 1194V et H pour une interface de 1,194 m de diamètre pesant 130 kg
- Interface 937VB5 et 937V5 pour une interface de 93,7 cm de diamètre pour 120
et 130 kg.

Ces adaptateurs peuvent supporter des charges
utiles de 2 à 4,5 tonnes. Ils assurent outre la continuité mécanique entre la
partie supérieure de l'EPS ou la Speltra et la charge utile, les transmissions
des liaisons électrique entre le lanceur et les satellites, la séparation entre
le satellite et le lanceur au moment de la mise en orbite. Chaque adaptateur se
compose d'une bride supérieure, en alliage d'aluminium, constituant l'interface
directe avec le satellite, il contient aussi l'ensemble des éléments de
séparartion et d'éjection de la charge utile. La partie centrale est
tronconique, faite d'une structure en sandwitch nid d'abeille en aluminium et
peau en fibre de carbone. La bride inférieure assure l'interface directe avec le
lanceur, étage EPS ou Speltra. La séparation est assurée par 2 boulons
diamétralement opposés qui relient les demi-sangles et permettent de les mettre
en tension, de 2 cisaille pyrotechniques assurant la découpes des boulons et 4
ressorts permettant l'éjection de la charge utile

Les viroles externes
Adapteur CYlindrique, ACY sont des structures
cylindriques qui se placent entre la coiffe et le haut de l'étage supérieur pour
augmenter la hauteur utile sous la coiffe. Elles sont disponibles en 4 hauteur
de 50 cm, à 2 m. Il existe des ACY de 2624 mm de diamètre, disponible eux aussi
en 4 hauteurs de 250 cm à 2 m destinés à être placé au sommet du Speltra ou du
Sylda.

 
Les dispenseurs sont des structures porteuses
de charges utiles multiples, par exemple pour les constellation de satellites ou
les lancements de charges auxiliaires, bien adaptées aux
programmes scientifiques, de recherche industrielle et
universitaires.
Le dispenseur Ariane porte les satellites et assure le système de séparation. Il
reste accouplé au lanceur après les séparations de charges utiles. Deux
conceptions sont proposées :
- Dispensateur avec tube central (dispensateur à perche), cet équipement peut
être utilisé en configuration de lancement simple ou en configuration de
lancement double aussi bien à l'intérieur qu'au-dessus de SPELTRA.
Le diamètre du tube est optimisé afin de maximiser le volume
offert à la charge utile et le nombre de satellites. Le satellite est fixé par
l'une de ses faces longitudinales sur cette structure.
- Dispensateur avec plaque structurelle (dispensateur plateforme), cette
structure reçoit un adaptateur ou une adaptation par satellite. Le satellite est
accouplé par sa base. La définition du système de séparation et des interfaces
est coordonnée avec l'utilisateur.

Le lancement de 3 satellites envisagé durant
le développement d'Ariane est abandonné en 1992. Les études préconisait
l'utilisation de 2 Speltra, puis le développement du SPILMA, Structure
Porteuse Interne de Lancement. Multiple pour augmenter la performance et réduire
la hauteur du lanceur. Depuis 1992,
l’étagement du lanceur a subi des évolutions essentiellement au niveau des
configurations de partie haute pour s’adapter au marché. Le lancement triple a
été abandonné stoppant de fait le développement de la SPILMA, la hauteur de la
version longue de la coiffe a été réduite de 1800 mm du fait de l’abandon du
programme Columbus, les adaptateurs de charge utile ont été modifiés, ils se
montent directement sur l’EPS et sur la SPELTRA au diamètre 2624 et non plus sur
une virole conique intermédiaire ce qui permet la suppression d’une bride de
liaison.
|
COIFFES
Fabriquées en Suisse par Contraves Space, la
coiffe est une structure de forme ogivale, qui permet d'alléger la masse globale
par suppression du cadre de liaison entre la zone cylindrique et
la zone supérieure, d'un diamètre extérieur de 5,425, dont 4,57
d'utile pour les satellites. La coiffe courte est constituée de
2 demi-coiffes, chacune composée de 5 panneaux, 2 pour la partie
cylindrique, 2 pour la partie ogivale basse et 2 pour la partie
ogivale haute. Chaque coiffe est équipée d'une prise
ombilicale pour le satellite, d'une porte d'accès de 60 cm de diamètre et
d'une protection acoustique constituée d'un assemblage de boudins en plastique
absorbant les vibrations (1200 résonateurs de Helmholz en aluminium installés sur 74 panneaux à base
de mousse polyamide recouvrant la paroi interne sur 9,3 m, sur la partie
cylindrique et ogivale basse sur la coiffe courte). Le bruit atteint tout de même plus de 140
dB, soit
plus du maximum supportable par une oreille humaine, essentiellement dans les graves,
jusqu'à 2000 Hz. |
 |
|

|
On distingue
3 tailles de coiffe : la
courte, la longue et la moyenne.
La coiffe courte mesure - tout de même - 12,728 m de long pour une masse de 2,027 tonnes.
La coiffe longue mesure 16,9 m de long pour une masse 2,9 tonnes.
La
coiffe moyenne est légèrement plus haute que la courte, 13,813 m.
|
|
 |
La coiffe se sépare du lanceur
après 202,5 secondes de vol, à la sortie de l'atmosphère vers
106 km d'altitude, n'étant plus utile et pesant lourd. Un
système pyrotechnique permet de déclencher la séparation des
demi-coiffes grâce au VSS, système de séparation vertical et HSS
système de séparation horizontal. Le VSS est composé de 2
profilés en magnésium, un tube soupe étanche, un tube
atténuateur en acier et un cordon pyro. Le HSS est composé lui
d'un demi-cadre en aluminium et un tube étanche contenant la
cordon pyro. Le VSS ne concerne que les parties cylindrique et
ogivale basse de la coiffe. Le HSS est intégré au cadre
inférieur, assurant la liaison VEB ou Speltra. La mise à feu du
cordon pyro cisaille les rivets unissant les 2 profilés puis
l'éjection des demi-coiffe. Mêm scénario pour le HSS, le cordon
assurant la rupture de la zone la plus fragile du cadre de
liaison en aluminium. |
|
|
|


Vue intérieure développée de la coiffe courte et moyenne d'Ariane 5
avec, en bleu les zones pour les portes d'accès aux charges utiles et
les fenêtres radio transparentes. Distance mini entre l'axe de 2 portes,
120 cm, distance mini entre l'axe des portes d'accès CU et les fenêtres
radio transparente, 120 cm, distance mini entre l'axe de 2 fenêtre radio
transparente, 65 cm. Diamètre de la porte d'accès CU 60 cm et 25 cm pour
les fenêtre radio transparente. 3 portes au maximum par demi coiffe peu
importe le nombre de passager.

Configuration de la partie haute
d'Ariane 5 générique avec le composite EPS-case, la charge utile basse,
le Speltra, l'ACU, la charge utile haute et la coiffe

Masse et dimensions de la Speltra
longue et courte et des coiffes courte et longues proposés sur Ariane 5

Volume de la coiffe longue
Ariane 5, vue intérieure développée de la coiffe longue Ariane 5, en
bleu, les zones pour les portes d'accès aux charges utiles et les
fenêtres radio transparentes. Distance mini entre l'axe de 2 portes, 120
cm, distance mini entre l'axe des portes d'accès CU et les fenêtres
radio transparente, 120 cm, distance mini entre l'axe de 2 fenêtre radio
transparente, 65 cm. Diamètre de la porte d'accès CU 60 cm et 25 cm pour
les fenêtre radio transparente. 3 portes au maximum par demi coiffe peu
importe le nombre de passager. Volume coiffe longue avec Sylda. La
coiffe longue sera de tous les vols Ariane 5 à partir de 2008 jusqu'à la
fin du programme en 2023.

Les différentes
configuration de la partie haute Ariane 5 proposé en 2000 avec les coiffes, SPELTRA
4160 (court) et 5660 (long) et le Sylda 5 standard, +900 et +1500. A
cela s'ajoutent les adaptateurs ou "dispensers" et les viroles, comme l'ACY
5400 disponible en 4 hauteurs 50, 100, 150 et 200 cm.
La coiffe courte a été utilisé dès le premier vol 501 en 1996,
la longue à partir de mars 2002 (V145) et la moyenne en avril 2003 sur
V160. Depuis 2009, Arianespace n'utilise que des coiffes longues,
exception pour le lancement des 3 satellites Galiléo en 2016,
2017 et 2018, lancés sous des coiffes moyennes. La coiffe courte n'a volé que 14 fois, de 1996 à
2004 (V165), la coiffe médium 17 fois entre 2003 et 2008, plus 3
vols en 2016, 2017 et 2018.

PERFORMANCES
La mission la plus fréquente demandée à
Ariane 5 est le transport de deux satellites en orbite GTO avec un périgée de
500 km et un apogée de 36000, comme les satellites de télécommunication ou
météo.
La capacité orbitale initiale est de 5970 kg en lancement double au moment du
développement, en 1995, soit 2 satellites de 3 tonnes (4,75 x 4,5 m) ou un de 2 tonnes et
l'autre de 4 tonnes, ce qui implique le développement
d'une structure externe (SPELTRA) comme la SPELDA
d'Ariane 4. En lancement simple, la capacité est de 6300 kg initialement
augmentée à 6800 kg au moment du développement en 1995. La prédiction de
performance d'Ariane 5 avant le premier vol est de 5960 kg, capacité atteinte
sans aucune marge.
L'ESA adopte un programme de
modernisation dès octobre 1995 pour passer à 7000 kg en 2000 et 7400 kg
en 2002 en réduisant le diamètre de la coiffe, en remplaçant le SPELTRA par le SYLDA 5 (+400 kg),
en remplacement des joints des EAP par
des viroles soudées (+150 kg), en améliorant le moteur Aestus de l'EPS avec plus
d'ergols embarqués (+300 kg) et en augmentant la poussée du Vulcain
(+800 kg). L'échec du premier vol 501 a modifié les gains espérés par
ses modifications : la masse inerte de l'EPC augmente de 600 kg
(l'isolation thermique supplémentaire a rajouter et les renforcements de
structures sur le réservoir et la ligne de pressurisation LOX) et la
coupe de la longueur de la tuyère des EAP dégrade l'impulsion spécifique
de 2 secondes. Les prédictions de performances pour L502 sont de 5360
kg, soit 500 kg de moins. En juin 1997, le CNES annonce que les
modifications d'Ariane 5 ajoutent 250 kg de masse en plus par
rapport au lanceur 501, La capacité d'Ariane 5 pour le vol 502 est
alors de 5180 kg.
Un programme d'amélioration des
performances est lancé en réduisant la masse de certains éléments. Un
gain global de 370 kg est obtenu en ajustant l'aérodynamisme du lanceur,
sa masse et les contraintes de trajectoire. En jouant sur la propulsion,
l'acquis des vols, les procédures d'allumage de l'étage supérieur,
d'autres kilogrammes sont gagnés et en 2002, Ariane 5 peut désormais
placer en GTO 6030kg en lancement double, 6700 kg en lancement simple et
6200 en optimisant l'allumage de l'étage EPS.
En orbite SSO circulaire (héliosynchrone) à 800 km,
inclinée à 98,6° la charge est de environ 10000 kg. En LEO, orbite basse à
500 km, inclinée à 28,5°, 18000 kg. Enfin en LETO (70/ 300 km, 51,6°) 18500
kg.
Des améliorations
sont prévus pour
augmenter la capacité de lancement à 12 000 kg en GTO en améliorant
l'étage supérieur Versatile vers l'horizon 2001 (7300 à 8000 kg) et en
le remplaçant par un étage cryogénique version A (10 à 10,5 tonnes) vers
2002 et B (11 à 12 tonnes) vers 2006. Seul l'étage cryogénique A sera
développé et volera en décembre 2002. La qualification de cette
version sera retardé par la défaillance du moteur Vulcain amélioré lors
de ce premier vol fin 2002. Ariane 5ECA sera
opérationnelle en février 2005.

Le graphe altitude Z(t) fonction du temps

Le graphe de la vitesse relative VR(t) fonction du temps, très utile
pour évaluer notamment les pertes de vitesse.

Un graphe montrant l'influence de l'inclinaison sur les performances en
masse utile, concernant le vol GTO. On indique que la performance
nominale, pour i = 7° est de 6640 kg

La trace sol du lanceur, avec les stations de poursuite et télémesure
Galliot, Natal, Ascension et Malindi.

Pour un tir héliosynchrone :
Le cas typique de base est pris à 800
km( quasiment SPOT ), pour lequel la masse injectée est de .9.5 tonnes
environ. Un premier graphe montre l'allure de la
trace sol d'un tir héliosynchrone :
|